'
产品特点:
1.可手动调节或通过软件调节光源亮度
2.直流输入电压DC 24V
3.使用灵活,每通道单独可调
4.可外部触发,灵活控制,响应速度快
5.可设置为断电不保存与断电自动保存设置参数功能
6.操作简单,显示直观,4位数码管清晰显示当前通道亮度等级
时序图
常亮模式(H 1模式):
当外部连接触发信号时,触发“+”输入高电平5-24V “-”接地时,光源灭。
常灭模式(H 0模式):
当外部连接触发信号时,触发“+”输入高电平5-24V “-”接地时,光源亮。

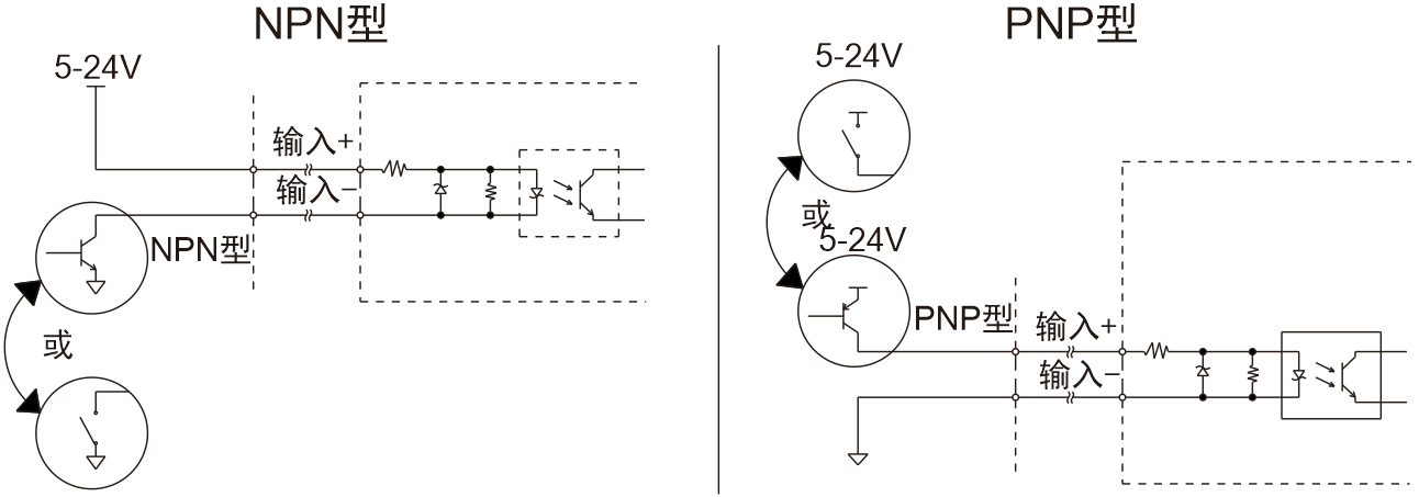
常用外部触发信号接线方法

控制器型号
| 类型 | 型号 | 单路输出可调电流 | 总输出功率 | 单路输出最大功率 | 通道数 | 外部触发电压 |
| 恒流控制器 | LTS-3ACC350-2F | 0-350mA | 2W | 1W | 2 | 5-24V |
| LTS-3ACC350-4F | 0-350mA | 4W | 1W | 4 | ||
| LTS-3ACC700-2F | 0-700mA | 4W | 2W | 2 | ||
| LTS-3ACC700-4F | 0-700mA | 8W | 2W | 4 | ||
| LTS-3ACC1000-2F | 0-1000mA | 6W | 3W | 2 | ||
| LTS-3ACC1000-4F | 0-1000mA | 12W | 3W | 4 |
